> 제품정보 > 신제품
|
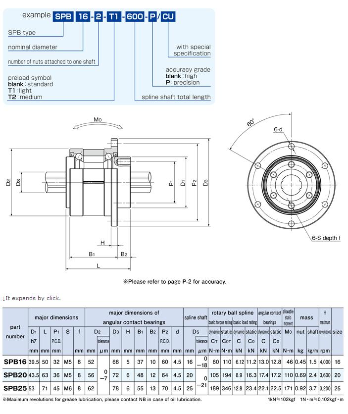
|||||||||||||||||||||||||
STRUCTURE AND ADVANTAGESThe NB ROTARY BALL SPLINE SPB type combines a spline nut and a set of angular contact bearings in a compact, high accurate, and high-speed rotation-capable assembly, providing both linear and rotational motion at the same time.
Structure of SPB type
![]() =============================================================================================================================
![]() ![]() ![]() ![]() |
|||||||||||||||||||||||||